Ez-Markup

Over View

Ez-Markup

Work Process

Functionality

Collaborative Working Environment

- Software helps you more easily manage a projectand designed to handle multiple users.

- Program has various functions for execution, reporting and monitoring by stage and offers collaborative working environment.

PID Importing & Item Tag Extracting

- The first step in processing data through ezMarkup is to Import the P&ID file (IGR / DWG).

- Program has several options to extract tag from P&ID drawings fast and accurate.(AutoCAD ver.)

Subsystem Markup

- After checking out the required P&ID, it will be opened in ezMarkup ready to be worked on.

-Program has various markup tools including color pen, eraser and break symbol etc.

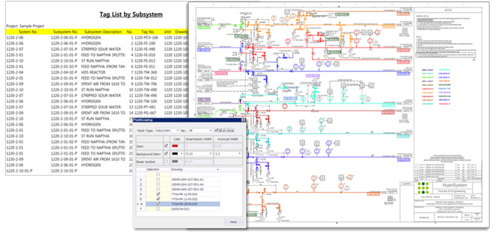
Reports & Printing

- Program generates various reports including drawing/subsystem table and plant items summary.

- The batch plotting function allows you to plot directly markup P&ID drawing.

Revision Comparison

- The compare function allows comparison on the current P&ID and either any revision.

- The graphical view shows the differences by color coding.

Advantage

Automatic and accurate Markup P&ID and Reports

- Automatically assign subsystem to plant item as the P&ID is color marked

- Generate markup P&ID drawings and reports

Fast and accurate work process

- 90% savings in work time

- Reduction of errors in the work process

Revisions and Repeatability

- Preserving marked items, subsystems and packages across revisions of P&ID

- Allows the user to compare the contents of two P&ID